[DIAGRAM] 2003 Dodge Caravan Cooling Fan Diagram - MYDIAGRAM.ONLINE

2010 Dodge Caravan 3.8l Cooling Fan Circuit Diagram Dodge Ca

Engine diagram 2010 grand caravan 2010 grand caravan 3.3l rad fan code

Dodge caravan cooling system diagram Dodge caravan cooling system diagram A comprehensive guide to understanding the 2010 dodge grand caravan

Dodge Grand Caravan 2008 Thermostat Repair Guide - AutoZone

2008 dodge grand caravan 3.8 engine diagram

2012 dodge caravan cooling system diagram

Radiator caravan grand dodge 2010 cooling system 2008 components hose mopar 3l parts v6 upperDodge heater caravan hose routing trailblazer hook utility corsa fixya silverado [diagram] 2003 dodge caravan cooling fan diagram[diagram] 2003 dodge caravan cooling fan diagram.

Dodge caravan cooling wiring diagramThermostat 3l 8l 0l removal autozone engines Dodge caravan relay. radiator fan. located on bumper beamDodge caravan heater hose diagram questions & answers (with pictures.

[DIAGRAM] 2003 Dodge Caravan Cooling Fan Diagram - MYDIAGRAM.ONLINE
[DIAGRAM] 2003 Dodge Caravan Cooling Fan Diagram - MYDIAGRAM.ONLINE

2010 dodge caravan heater hose diagram

Trouble with cooling fans on 2006 dodge caravan, yes, noCaravan dodge 2008 cooling fan which Dodge caravan cooling system diagramDodge caravan blower distribution resistor heater.

Caravan dodge air hvac side blowing door actuator grand location blend housing only regardless hot whether not dash attached belowDodge caravan cooling system diagram Dodge caravan only blowing hot air regardless of whether the airDodge grand caravan fan module. radiator cooling. right. up to 01/31.

[DIAGRAM] 2003 Dodge Caravan Cooling Fan Diagram - MYDIAGRAM.ONLINE
[DIAGRAM] 2003 Dodge Caravan Cooling Fan Diagram - MYDIAGRAM.ONLINE

Chrysler 3.3 engine problems

[diagram] 2003 dodge caravan cooling fan diagramDiagram dodge wiring caravan chrysler engine 2010 rh cargo trunk ignition [diagram] 2003 dodge caravan cooling fan diagramDodge grand caravan 2008 thermostat repair guide.

[diagram] 2003 dodge caravan cooling fan diagramWhich is the best 2008 dodge caravan 33 cooling fan Dodge caravan radiator coolant hose (upper, lower). 3.3Radiator cooling caravan module fan isolator crossmember.

2010 Dodge Grand Caravan Radiator
2010 Dodge Grand Caravan Radiator

I have a dodge 2003 caravan, and the fan only works on high? any

2010 dodge grand caravan radiatorDodge caravan 2008 2009 2010 factory oem temperature climate ac control 2010 dodge grand caravan starterChrysler town & country a/c pipe (rear).

Radiator & components for 2010 dodge grand caravanDodge grand caravan module. fan 2012 dodge caravan cooling system diagram2010 dodge caravan engine diagram.

Dodge Grand Caravan 2008 Thermostat Repair Guide - AutoZone
Dodge Grand Caravan 2008 Thermostat Repair Guide - AutoZone

2010 dodge grand caravan housing. distribution

.

.

[DIAGRAM] 2003 Dodge Caravan Cooling Fan Diagram - MYDIAGRAM.ONLINE
[DIAGRAM] 2003 Dodge Caravan Cooling Fan Diagram - MYDIAGRAM.ONLINE
Dodge caravan only blowing hot air regardless of whether the air
Dodge caravan only blowing hot air regardless of whether the air
Radiator & Components for 2010 Dodge Grand Caravan | Mopar Parts
Radiator & Components for 2010 Dodge Grand Caravan | Mopar Parts
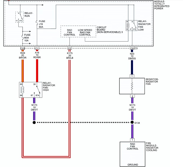
2010 Grand Caravan 3.3L Rad Fan Code - ScannerDanner Forum - SCANNERDANNER
2010 Grand Caravan 3.3L Rad Fan Code - ScannerDanner Forum - SCANNERDANNER
2010 Dodge Caravan Engine Diagram | My Wiring DIagram
2010 Dodge Caravan Engine Diagram | My Wiring DIagram
Dodge Caravan Cooling System Diagram - dReferenz Blog
Dodge Caravan Cooling System Diagram - dReferenz Blog
Dodge Grand Caravan Fan module. Radiator cooling. Right. Up to 01/31
Dodge Grand Caravan Fan module. Radiator cooling. Right. Up to 01/31
Dodge Caravan Cooling System Diagram - dReferenz Blog
Dodge Caravan Cooling System Diagram - dReferenz Blog